帶緊定螺釘和加長內圈的高溫嵌入式軸承
SIAIF 高溫軸承用于高達 350 °C (660 °F) 的運行溫度,可提高可靠性,降低復雜程度,并降低對環境的影響。 這使得這種產品非常適合窯車、輥式爐和面包房等旋轉方向固定或交替的應用。
極端條件下性能卓越
減少對環境的影響
降低整體運行成本
幾乎免維護運行

帶緊定螺釘和加長內圈的高溫嵌入式軸承
SIAIF 高溫軸承用于高達 350 °C (660 °F) 的運行溫度,可提高可靠性,降低復雜程度,并降低對環境的影響。 這使得這種產品非常適合窯車、輥式爐和面包房等旋轉方向固定或交替的應用。
極端條件下性能卓越
減少對環境的影響
降低整體運行成本
幾乎免維護運行
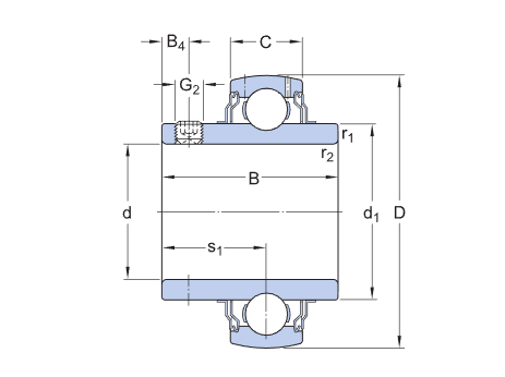
尺寸
| d | 70 mm | 孔徑 |
|---|---|---|
| D | 125 mm | 外徑 |
| B | 69.9 mm | 內圈寬度 |
| C | 28 mm | 外圈寬度 |
| d1 | ≈87.05 mm | 內圈擋邊直徑 |
| B4 | 12 mm | 鎖定扣側面到螺紋中心距離 |
| s1 | 39.7 mm | 鎖定扣側面到滾道中心的距離 |
| r1,2 | min.1.5 mm | 倒角尺寸 |
數據計算
| 基本額定動荷 | C | 62.4 kN |
|---|---|---|
| 基本額定靜負荷 | C0 | 45 kN |
| 極限轉速 | 50 r/min | |
| 工作溫度 | T | max. 250 °C |
重量
| 軸承重量 | 1.95 kg |
安裝信息
| 緊定螺釘 | G2 | M10x1 |
|---|---|---|
| 緊定螺釘的六角扳手尺寸 | N | 5 mm |
| 推薦的緊定螺釘擰緊力矩 | 16.5 N·m |
SIAIF高溫外球面軸承 YAR214-2F/VA201 詳細參數
高溫外球面軸承選江蘇魯岳高溫軸承制造有限公司,SIAIF耐高溫軸承廠家主要生產耐高溫軸承、不銹鋼軸承、無油軸承、自潤滑軸承、免維護軸承高溫外球面軸承YAR214-2F/VA201,SIAIF高溫外球面軸承YAR214-2F/VA201產品相關信息:型號:YAR214-2F/VA201, 品牌:SIAIF軸承 , 類型:高溫外球面軸承 , 內徑:70mm , 外徑:125mm , 厚度:69.9mm , 想要更多的了解無錫SIAIF高溫外球面軸承YAR214-2F/VA201的相關產品信息,可以撥打服務熱線 ,我們會為您詳細介紹產品的相關服務。
江蘇魯岳高溫軸承制造有限公司生產的SIAIF高溫外球面軸承 YAR214-2F/VA201 使用范圍很廣,主要應用于鋼廠冶金、玻璃、鍋爐、噴漆設備、礦山機械、輸送機、顆粒機、農機設備、傳輸裝置、高速風機、真空設備、窯爐窯車、機床設備、工程機械、輸送設備、顆粒機、振動篩、汽車、石油、電力、電機、風電設備等高溫作業機械。本公司生產的SIAIF高溫外球面軸承YAR214-2F/VA201產品價格合理,保證質量,滿足客戶的產品工藝需求。



關注公眾號,隨時查軸承