帶加長內圈和緊定螺釘鎖緊的立式軸承座日本標準鑄鐵球軸承單元
立式(軸臺式)球軸承單元包括一個安裝在鑄鐵軸承座內的嵌入式軸承,軸承座可通過螺栓安裝在支撐面上。 這種單元強度高,硬度大,適用于旋轉方向固定或交替的應用。 內圈兩側加長,通過擰緊內圈上的緊定螺釘鎖定在軸上,便于安裝。
堅固
適合恒定和交替旋轉
安裝方便
軸承已預填潤滑脂并配備密封
可在軸上快速鎖定
性價比高

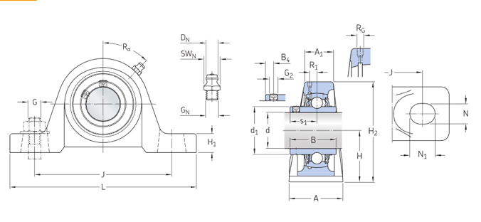
尺寸
| d | 40 mm | 孔徑 |
|---|---|---|
| d1 | ≈52.5 mm | 內圈擋邊直徑 |
| A | 49 mm | 底座寬度 |
| A1 | 30 mm | 最高寬度 |
| B | 49.2 mm | 內圈寬度 |
| B4 | 8 mm | 鎖定扣側面到螺紋中心距離 |
| H | 49.2 mm | 球面軸承位中央高度 |
| H1 | 20.5 mm | 螺柱高度 |
| H2 | 101 mm | 總高度 |
| J | 137 mm | 連接螺栓之間的距離 |
| J | max.141 mm | 連接螺栓之間的距離 |
| J | min.133 mm | 連接螺栓之間的距離 |
| L | 184 mm | 總長度 |
| N | 17 mm | 連接螺栓孔的直徑 |
| N1 | 21 mm | 連接螺栓孔的長度 |
| s1 | 30.2 mm |
| RG | 1/4-28 UNF | 軸承座的油嘴螺紋 |
|---|---|---|
| R1 | 4 mm | 軸承座螺紋的軸向位置 |
| Rα | 45 ° | 軸承座螺紋的角度位置 |
| DN | 6.6 mm | 油嘴的頂部球體直徑 |
|---|---|---|
| SWN | 7.94 mm | 油嘴的六角尺寸 |
| GN | 1/4-28 UNF | 油嘴螺紋 |
數據計算
| 基本額定動荷 | C | 32.5 kN |
|---|---|---|
| 基本額定靜負荷 | C0 | 20 kN |
| 疲勞負荷限值 | Pu | 0.85 kN |
| 極限轉速 | 3 750 r/min | |
| 鎖緊方式 | 偏心鎖環 |
重量
| 軸承單元重量 | 2 kg |
安裝信息
| 緊定螺釘 | G2 | M8x1 |
|---|---|---|
| 緊定螺釘的六角扳手尺寸 | 4.06 mm | |
| 推薦的緊定螺釘擰緊力矩 | 6.5 N·m | |
| 連接螺栓的推薦直徑,毫米 | G | 14 mm |
| 連接螺栓的推薦直徑,英寸 | G | 0.5625 in |
包含的產品
| 軸承座 | P 208 |
| 軸承 | UEL 208 |
SIAIF免維護立式軸承座 UELP208 詳細參數
免維護立式軸承座選江蘇魯岳高溫軸承制造有限公司,SIAIF耐高溫軸承廠家主要生產耐高溫軸承、不銹鋼軸承、無油軸承、自潤滑軸承、免維護軸承免維護立式軸承座UELP208,SIAIF免維護立式軸承座UELP208產品相關信息:型號:UELP208, 品牌:SIAIF軸承 , 類型:免維護立式軸承座 , 內徑:40mm , 外徑:184mm , 厚度:49mm , 想要更多的了解無錫SIAIF免維護立式軸承座UELP208的相關產品信息,可以撥打服務熱線 ,我們會為您詳細介紹產品的相關服務。
江蘇魯岳高溫軸承制造有限公司生產的SIAIF免維護立式軸承座 UELP208 使用范圍很廣,主要應用于鋼廠冶金、玻璃、鍋爐、噴漆設備、礦山機械、輸送機、顆粒機、農機設備、傳輸裝置、高速風機、真空設備、窯爐窯車、機床設備、工程機械、輸送設備、顆粒機、振動篩、汽車、石油、電力、電機、風電設備等高溫作業機械。本公司生產的SIAIF免維護立式軸承座UELP208產品價格合理,保證質量,滿足客戶的產品工藝需求。



關注公眾號,隨時查軸承